标签:
点击标签查看相关内容
百合世纪广场1-4栋平面图修改(车位不足?)
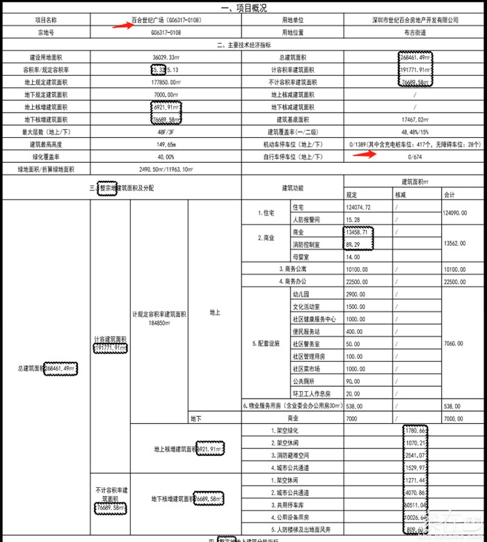
百合世纪广场1、2、3、4栋(宗地号G06317-0108)项目位于布吉街道罗岗社区,用地面积36029.33平方米,已于2021年3月17日取得深规划资源建许字GG-2021-0003号《深圳市建设工程规划许可证》(1、3、4栋)和深规划资源建许字GG-2021-0004号《深圳市建设工程规划许可证》(2栋)。
深圳市世纪百合房地产开发有限公司来文申请该项目变更《建设工程规划许可证》(建筑类城市更新项目),因涉及屋顶总平面图修改,主要内容如下(具体详见图中云线圈注部分):(一)根据消防要求,调整2栋部分消防操作场地范围,商业屋顶轮廓相应调整;
(二)根据景观设计:
1、调整总平面图局部场地标高;
2、西侧人行出入口大台阶形式调整;
(三)根据审查部门意见:
1、增加室外垃圾收集点和装修垃圾、大件废物、绿化垃圾堆放场所;
2、屋顶总平面图增加部分文字说明备注;
(四)根据测绘意见:
1、调整1栋一单元楼层数,由原来43层调整为42层,总高度由原来132.60m调整为130.20m,塔楼屋顶轮廓调整;
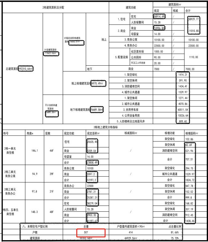
2、调整2栋二单元楼层数,由原来29层调整为30层,总高度由原来94.90m调整为98.70m,塔楼屋顶轮廓调整;
3、调整2栋三单元楼层数,由原来21层调整为22层,总高度由原来97.80m调整为100.00m,塔楼屋顶轮廓调整;
4、调整屋顶总图技术经济指标表地上、地下核增面积及户型比例数据;
(五)根据方案深化:
1、总平面图补充首层无障碍坡道、台阶及雨棚投影线;
2、补分分期示意图;
(六)版次调整为01、出图时间调整为。
![]()
深圳市世纪百合房地产开发有限公司来文申请该项目变更《建设工程规划许可证》(建筑类城市更新项目),因涉及屋顶总平面图修改,主要内容如下(具体详见图中云线圈注部分):(一)根据消防要求,调整2栋部分消防操作场地范围,商业屋顶轮廓相应调整;
(二)根据景观设计:
1、调整总平面图局部场地标高;
2、西侧人行出入口大台阶形式调整;
(三)根据审查部门意见:
1、增加室外垃圾收集点和装修垃圾、大件废物、绿化垃圾堆放场所;
2、屋顶总平面图增加部分文字说明备注;
(四)根据测绘意见:
1、调整1栋一单元楼层数,由原来43层调整为42层,总高度由原来132.60m调整为130.20m,塔楼屋顶轮廓调整;
2、调整2栋二单元楼层数,由原来29层调整为30层,总高度由原来94.90m调整为98.70m,塔楼屋顶轮廓调整;
3、调整2栋三单元楼层数,由原来21层调整为22层,总高度由原来97.80m调整为100.00m,塔楼屋顶轮廓调整;
4、调整屋顶总图技术经济指标表地上、地下核增面积及户型比例数据;
(五)根据方案深化:
1、总平面图补充首层无障碍坡道、台阶及雨棚投影线;
2、补分分期示意图;
(六)版次调整为01、出图时间调整为。





粤公网安备 44030402000760号
